冠詳精密科技有限公司
    CLOSE
  • 首頁
  • 產品總覽
    • 回上一頁
    • PMI銀泰產品
      • 回上一頁
      • 滾珠螺桿
      • 線性滑軌
      • KM模組
      • 花鍵
    • STOBER
      • 回上一頁
      • 齒排
      • 伺服馬達 x 減速機 = 減速馬達
      • 可程式-伺服驅動器
    • G+吉嘉產品
      • 回上一頁
      • 中空旋轉平台
      • 精密對位平台
      • 電動滑台
      • 精密微型旋轉軸
      • 減速齒輪箱
    • 直線軸承、軸心系列
      • 回上一頁
      • 直線軸承
      • 軸心
      • 直線軸承座、組
      • 軸心支持座
    • 螺桿支撐座
      • 回上一頁
      • 螺桿支撐座
    • 聯軸器
      • 回上一頁
      • 撓性開縫型
      • 螺旋型
      • 鋼片型
      • 爪型梅花型
      • 剛性聯軸器
      • 爪型梅花型
    • 線性模組滑台
      • 回上一頁
      • 線性模組滑台
    • MINI STAGE 手動精密滑台
      • 回上一頁
      • 交叉滾柱導引
      • 線性滾珠導引
      • 鳩尾槽
    • XY-TABLE 電動精密滑台
      • 回上一頁
      • XY-TABLE 標準級
      • XY-TABLE 精密級
    • SLIDE WAY 滾柱型/滾珠型 滑軌
      • 回上一頁
      • 滾柱型精密滑軌
      • 滾珠型精密滑軌
    • 減速機
      • 回上一頁
      • 行星減速機
      • RV減速機
  • 產品應用說明
  • 檔案下載
  • 聯絡我們
  • 歡迎來電
    04-25365617
  • Copyright © 2019 MIRACLE
  • 首頁
  • 產品總覽
  • G+吉嘉產品
  • 中空旋轉平台
  • GSR直角中空旋轉平台
產品總覽
  • 中空旋轉平台
    • GSA直角中空旋轉平台
    • GSB中空旋轉平台(圓錐滾子軸承)
    • GSG高扭矩中空旋轉平台
    • GSH海波齒中空旋轉平台
    • GSHR中空旋轉平台
    • GSN中空旋轉平台
    • GSR直角中空旋轉平台
  • 精密對位平台
    • XXY系列精密對位平台
    • XXY5M-01精密對位平台
    • G+
  • 電動滑台
    • GX系列精密X軸電動滑台
    • GZ系列精密Z軸電動滑台
    • GTZ系列精密斜楔型Z軸電動滑台
    • GXY系列精密XY軸電動滑台
    • GXYZ系列精密XYZ軸電動滑台
    • GTXYZ系列精密斜楔型XYZ軸電動滑台
    • GXYR精密XYθ三軸一體式電動滑台
  • 精密微型旋轉軸
    • GMA系列
    • GMR系列
    • GML系列
    • GMC系列
    • G+
  • 減速齒輪箱
    • GSZ系列
    • GDR系列
    • G+
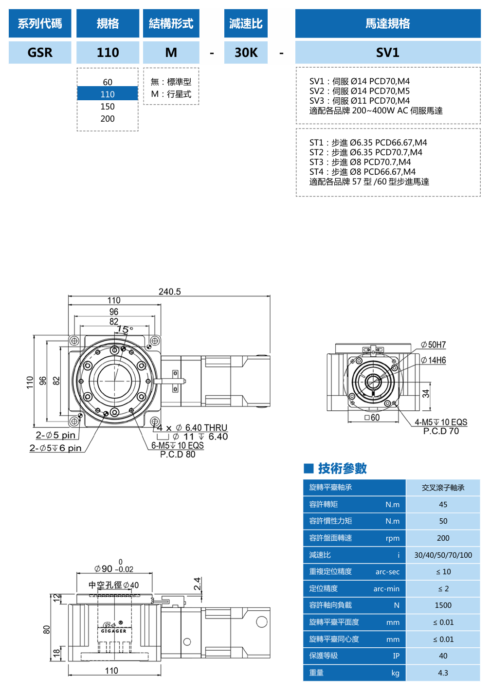
GSR110
檔案下載

回上層
冠詳精密科技股份有限公司
冠亨自動化有限公司
地址:台中市潭子區大富路6-11號
電話:04-25365617
傳真:04-25360487
E-mail:gu1225.pmi1225@msa.hinet.net
採用全球最先進SSL 256bit 傳輸加密機制 
Designed by 米洛網頁設計