1 /
1
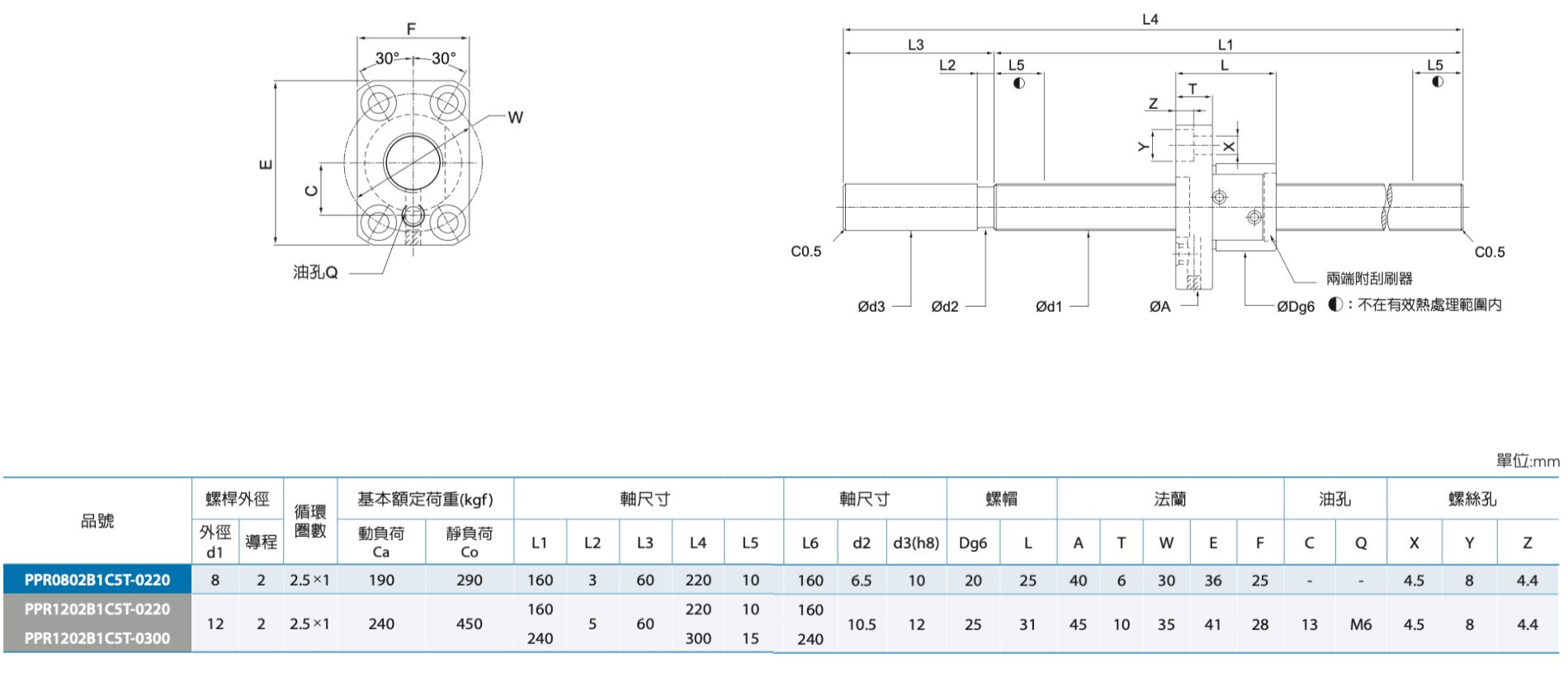
PPR-C5級
商品簡述:
• 軸端適用性高
軸端未經過熱處理加工,保留螺桿軸兩端中心孔,可容易加工軸端肩部尺寸。
• 短交期
將螺桿常用規格、牙長及軸端未加工長度設為庫存品標準。
• 低價格
精密等級以C5或C7搭配軸向間隙作為設定,大量生產降低成本,使得價格更為優惠。
PPR 微小型螺帽特色
• 節省空間
採用特殊外循環方式設計,使螺帽尺寸和內循環方式一樣精巧,不佔空間。
• 循環方式
由3D的S形彎曲迴流路徑設計,使鋼珠在迴流區段能獲得速度之舒緩效果,可降低磨損而延長使用壽命。




