1 /
1
MSA-E
商品簡述:
MSA系列線性滑軌採用4列圓弧接觸式及45°觸角的鋼珠列設計,提供徑向、反徑向及橫方向四方向的相同額定負荷能力,無論X、Y、Z等軸的各種安裝方式都可以使用,並且可在維持低摩擦阻力情況下均勻的施以預壓,增強四個受力方向的剛性,特別適合高精度與高負荷的運動方式。
潤滑油路設計,能夠均勻的將潤滑油脂注入每個循環迴路,無論各種安裝方式都可以獲得最佳的潤滑效果,並且提昇整體的行走順暢度與使用壽命,實現高精度、高可靠度及平滑穩定的直線運動需求。
產品特性
• 高剛性,四方向等負荷設計
• 具自動調心能力
• 行走順暢度佳,低噪音
• 具互換之特性
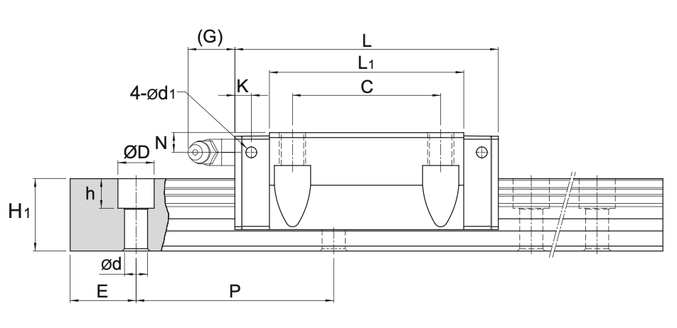
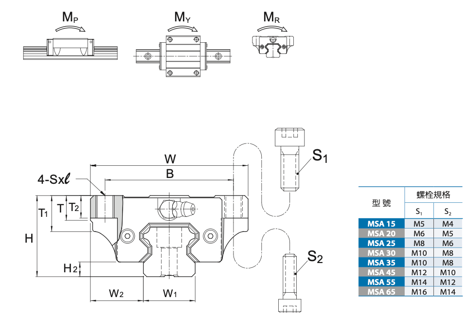
MSA-E|尺寸規格表










