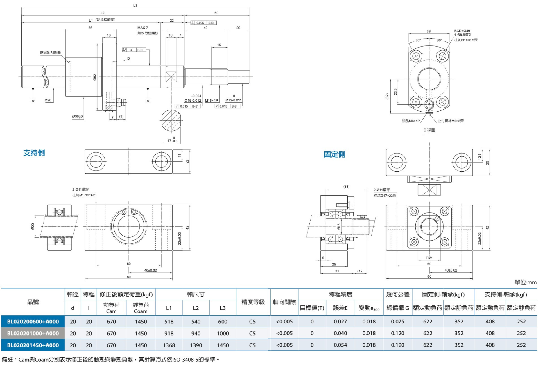
軸徑Ø20 導程20
產品特色
1. 短交期的對應
將滾珠螺桿專用的精密外徑作為支撐端以達成在庫標準。
2. 行程的活用性
將支撐軸端作為行程對應切斷,利用螺桿外徑作為支撐,可容易設定使用之行程。
3. 適合的用途精度和價格
精度等級C5和5μm以下間隙作設定,大大的降低了使用成本和交期。
4. 節省空間
螺帽長度變短,外徑尺寸可減少20%~25%和採用了專用的支撐元件,可節省設計空間的裝置。
5. 採用高速.靜音循環方式
適用在PMI 獨自的高速靜音技術,可實現最高5000rpm的迴轉速,噪音及振動和過去的迴流 管循環方式比較,噪音減少約(6dB)。
應用範圍
半導體生產設備、測定機器、檢測設備、醫療設備、自動化設備、輕型加工機、點膠機及 專用機等,廣泛產業領域的精密運動及定位用途最適用。
軸徑Ø20 導程20|尺寸規格表



