1 /
1
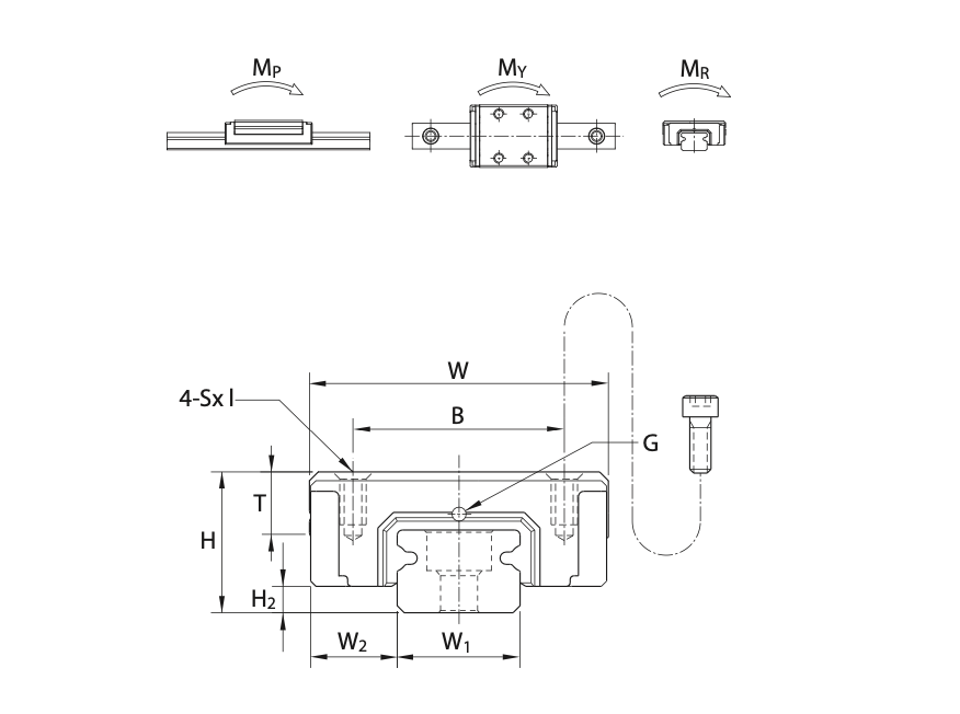
MSC-M/MSC-LM
商品簡述:
MSC標準型和MSD寬幅型不鏽鋼系列線性滑軌採用2列歌德圓弧接觸式及45°接觸角的鋼珠設計,提供徑向、反徑向及橫方向四方向的相同額定負荷能力,無論X、Y、Z等軸的各種安裝方式都可以使用。超小型化與低摩擦阻力的設計,適合小型化設備使用。
配合潤滑油路設計,能夠均勻的將潤滑油脂注入每個循環迴路,無論各種安裝方式都可以獲得最佳的潤滑效果,並且提昇整體的行走順暢度與使用壽命,實現高精度、高可靠度及平滑穩定的直線運動需求。
產品特性
• 四方向等負荷設計
• 行走順暢度佳,低噪音
• 鋼珠鋼絲保持器設計
• 超小型設計
• 具互換之特性
MSC-M/MSC-LM|尺寸規格表



相關產品



