冠詳精密科技有限公司
    CLOSE
  • 首頁
  • 產品總覽
    • 回上一頁
    • PMI銀泰產品
      • 回上一頁
      • 滾珠螺桿
      • 線性滑軌
      • KM模組
      • 花鍵
    • STOBER
      • 回上一頁
      • 齒排
      • 伺服馬達 x 減速機 = 減速馬達
      • 可程式-伺服驅動器
    • G+吉嘉產品
      • 回上一頁
      • 中空旋轉平台
      • 精密對位平台
      • 電動滑台
      • 精密微型旋轉軸
      • 減速齒輪箱
    • 直線軸承、軸心系列
      • 回上一頁
      • 直線軸承
      • 軸心
      • 直線軸承座、組
      • 軸心支持座
    • 螺桿支撐座
      • 回上一頁
      • 螺桿支撐座
    • 聯軸器
      • 回上一頁
      • 撓性開縫型
      • 螺旋型
      • 鋼片型
      • 爪型梅花型
      • 剛性聯軸器
      • 爪型梅花型
    • 線性模組滑台
      • 回上一頁
      • 線性模組滑台
    • MINI STAGE 手動精密滑台
      • 回上一頁
      • 交叉滾柱導引
      • 線性滾珠導引
      • 鳩尾槽
    • XY-TABLE 電動精密滑台
      • 回上一頁
      • XY-TABLE 標準級
      • XY-TABLE 精密級
    • SLIDE WAY 滾柱型/滾珠型 滑軌
      • 回上一頁
      • 滾柱型精密滑軌
      • 滾珠型精密滑軌
    • 減速機
      • 回上一頁
      • 行星減速機
      • RV減速機
  • 產品應用說明
  • 檔案下載
  • 聯絡我們
  • 歡迎來電
    04-25365617
  • Copyright © 2019 MIRACLE
  • 首頁
  • 產品總覽
  • PMI銀泰產品
  • 線性滑軌
  • 鋼珠鏈帶式負荷型SME系列
產品總覽
  • 滾珠螺桿
    • 精密級滾珠螺桿(研磨級)
      • 內循環系列
      • 端塞型系列
      • 外循環系列
      • 高導程系列
      • 端蓋型系列
      • 高負荷系列
      • 端塞高負荷系列
      • 微小型系列
      • 標準型系列
    • 轉造級滾珠螺桿
      • 標準規格系列
      • 內循環系列
      • 端蓋型系列
      • 外循環系列
      • 微小系列
    • FA 系列滾珠螺桿
      • FA
      • 自動化產業
  • 線性滑軌
    • 重負荷型MSA系列
    • 低組裝型MSB系列
    • 寬幅型MSG系列
    • 微小型滑軌MSC、MSD系列
    • 交叉型MSH系列
    • 滾柱重負荷型MSR系列
    • 滾柱鏈袋型SMR系列
    • 鋼珠鏈帶式負荷型SME系列
    • 鋼珠鏈帶式交叉型SMH系列
  • KM模組
  • 花鍵
    • 精密螺桿花鍵
    • 滾珠花鍵
SME-LSB/LSV
1 / 1
SME-LSB/LSV
商品簡述:
產品簡介

SME系列鋼珠鏈帶型線性滑軌比起一般標準型線性滑軌,搭配鋼珠鏈帶設計,可使其運行更為穩定順暢,特別適用於講求高速度、高精度的設備需求。

產品特性

• 四方向等負荷設計
• 具自動調心能力
• 鋼珠鏈帶式設計,行走順暢度佳
• 低噪音,潤滑效果佳

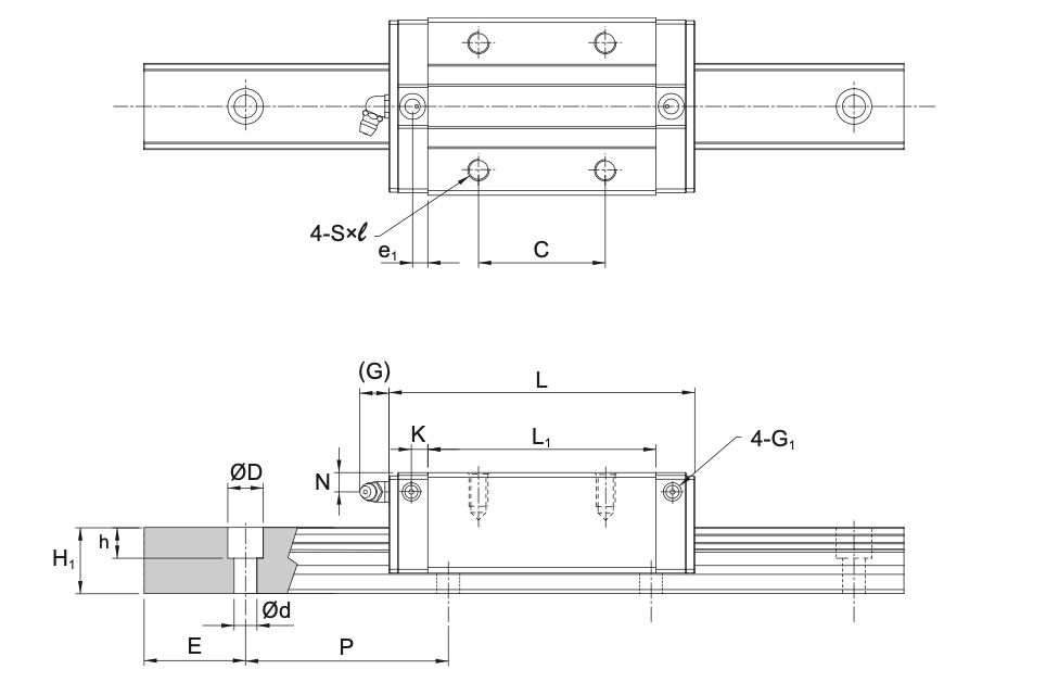
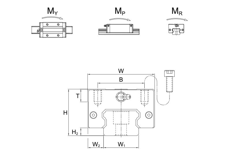
SME-LSB/LSV|尺寸規格表



相關產品
  • SME-EA
    SME-EA
  • SME-LEA
    SME-LEA
  • SME-EB
    SME-EB
  • SME-LEB
    SME-LEB
  • SME-SA
    SME-SA
  • SME-LSA
    SME-LSA
  • SME-SB/SV
    SME-SB/SV
回上層
冠詳精密科技股份有限公司
冠亨自動化有限公司
地址:台中市潭子區大富路6-11號
電話:04-25365617
傳真:04-25360487
E-mail:gu1225.pmi1225@msa.hinet.net
採用全球最先進SSL 256bit 傳輸加密機制 
Designed by 米洛網頁設計